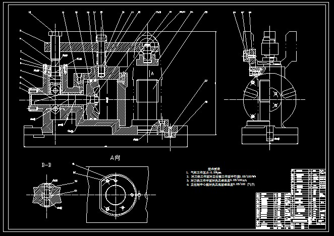
万向节夹具-铣床夹具总装图
- 文件大小: 112.61 KB
- 下载次数:
- 文件评级:

- 更新时间: 2014-10-12
- 发布人: 1419745246
该文件为 dwg 格式(源文件可编辑),下载需要 20 积分
万向节夹具-铣床夹具总装图
技术要求
1. 气缸工作压力:0.5Mpa
2. 对刀块工作面对定位键工作面平行度0.05/100mm
3. 对刀块工作平面对夹具垂直度0.05/100mm
4. 定位轴中心线对夹具底面垂直度0.05/100
...
×
