车轮轨道用车车轮
- 文件大小: 150.64 KB
- 下载次数:
- 文件评级:

- 更新时间: 2015-05-19
- 发布人: 1955422769
该文件为 dwg 格式(源文件可编辑),下载需要 20 积分
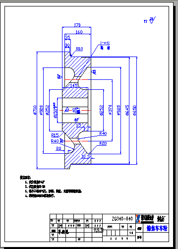
技术要求:
1、未注倒角5*45°
2、未注圆角R5-R8
3、铸件不得有气孔、沙眼、裂纹、夹渣等铸造缺陷。
4、材料按GB8601标准执行。
...
×

该文件为 dwg 格式(源文件可编辑),下载需要 20 积分
技术要求:
1、未注倒角5*45°
2、未注圆角R5-R8
3、铸件不得有气孔、沙眼、裂纹、夹渣等铸造缺陷。
4、材料按GB8601标准执行。
...