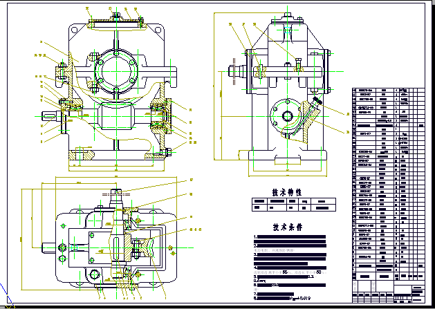
蜗杆减速器装配图 功率1.485kw,传动比14.5
- 文件大小: 395.75 KB
- 下载次数:
- 文件评级:

- 更新时间: 2015-05-19
- 发布人: 1955422769
该文件为 dwg 格式(源文件可编辑),下载需要 20 积分
技术要求
1.装配前,轴承用汽油洗,其他零件装配前用煤油洗箱体内壁涂耐油油漆,外壁涂灰色漆;
2.箱体与其他铸件不加工面应清理干净;除去毛边毛刺,并浸涂防锈漆;
3.减速器剖分面,各接触面及密封处均不允许漏油、渗油,箱体剖分面允许涂密封油漆或水玻璃,不允许使用其他任何材料;
4.齿轮装配后应用涂色法检查接触斑点,圆柱齿轮沿齿高不小于55%,沿齿长不小于50%;
5.调整、固定轴承应留有轴向游隙0.2-0.5mm;
6.减速器装220工业齿轮油,油量达到规定深度;
7.按试验规程进行试验;
8.传动轴交角极限偏差f∑=±0.019
...
×
