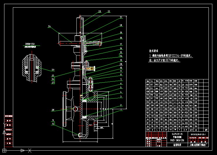
(DN50~250)SLZF43Y-25 平板闸阀
- 文件大小: 213.89 KB
- 下载次数:
- 文件评级:

- 更新时间: 2016-07-04
- 发布人: 2841899187
该文件为 dwg 格式(源文件可编辑),下载需要 20 积分
平板闸阀是一种关闭件为平行闸板的滑动阀。其关闭件可以是单闸板或是其间带有撑开机构的双闸板。闸板向阀座的压紧力是由作用与浮动闸板或浮动阀座的介质压力来控制。如果是双闸板平板闸阀,则两闸板间的撑开机构可以补充这一压紧力。平板闸阀按驱动方式可分为手动平板闸阀、气动平板闸阀及电动平板闸阀。按用途和使用场合可分为有导流孔平板闸阀、无导流孔平板闸阀、油田平板闸阀、管线平板闸阀及燃气平板闸阀等。...
×
