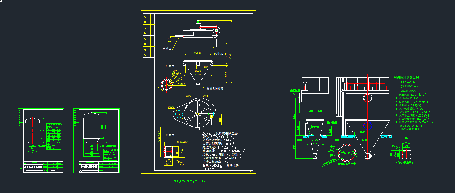
除尘器、消音器XLG-170000、XLG-300000型陶瓷多管cad图纸
                - 文件大小: 142.34 KB
 - 下载次数:
 - 文件评级: 

 - 更新时间: 2020-12-28
 - 发布人: jinbnm
 
该文件为 dwg 格式(源文件可编辑),下载需要 20 积分
除尘器、消音器XLG-170000、XLG-300000型陶瓷多管cad图纸...
        ×
        
    
    
                
该文件为 dwg 格式(源文件可编辑),下载需要 20 积分
除尘器、消音器XLG-170000、XLG-300000型陶瓷多管cad图纸...