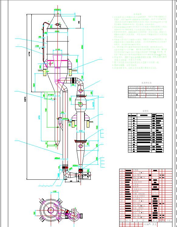
460m2蒸发罐设备图
- 文件大小: 262.1 KB
- 下载次数:
- 文件评级:

- 更新时间: 2014-06-25
- 发布人: 649829230
该文件为 dwg 格式(源文件可编辑),下载需要 20 积分
技术条件
1.本设备按《压力容器安全技术监察规程》、GB150-1998《钢制压力
容器》、GB151-1999《钢制管壳式换热器》、GB/T 13149-1991
《钛及钛合金复合钢板焊接技术条件》和GB/T13148-1991《不锈
复合钢板 焊接技术条件》 进行制造、试验和验收。
2.现场安装按HGJ209-83《中低压化工设备施工及验收规程》中规定
和QB6003-91《真空制盐 工业设备安装工程施工及验收规范》。
3.焊接采用电弧焊,碳钢或基层之间的焊接:焊条为J422;碳钢与不
锈钢或过渡层之间的焊接: 焊条为A042;不锈钢或复层之间的焊接:
焊条为A022。
4.焊接接头型式及尺寸除图中注明外,按HGJ20583-1998中规定;角
焊缝的焊角尺寸按较薄板 的厚度; 法兰的焊接按相应法兰标准中
的规定;其余按GB985-88中规定。
5.A、B类焊缝必须全截面焊透并进行探伤检查,探伤长度≥20%,
且每条焊缝不少于250mm, 射线探伤透照质量不低于AB级,射线探
伤应符合JB4730-94《压力容器无损检测》中RT-Ⅲ 级合格;蒸
发室下锥体与切向管贯连接焊缝进行100%射线探伤RT-Ⅲ级合格。
6.制造完毕,清除污垢去油作酸洗钝化处理。所形成钝化膜采
用蓝点法检查,无蓝点为合格。
7.管口及支座方位应按本图且与工艺管口方位图一致。
8.筒体加强圈、支座现场焊。
9.设备安装完毕,应按工艺糸统进行整体水压试压。
...
