首页
机械图纸
成套图纸
技术文档
我要上传
搜索
位置:
首页
>
机械图纸
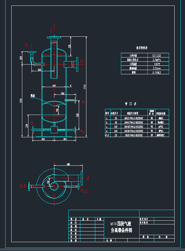
M16四段气液分离器CAD图纸
文件大小:
56.39 KB
下载次数:
文件评级:
更新时间:
2024-10-29
发布人:
yueyue
立即下载 (需要20积分)
该文件为 dwg 格式(源文件可编辑),下载需要
20
积分
M16四段气液分离器CAD图纸...
×