首页
机械图纸
成套图纸
技术文档
我要上传
搜索
位置:
首页
>
机械图纸
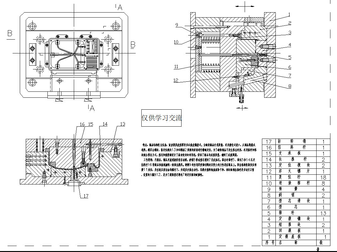
彩色电视机前框注塑模CAD图纸
文件大小:
117.45 KB
下载次数:
文件评级:
更新时间:
2024-11-14
发布人:
tong123
立即下载 (需要20积分)
该文件为 dwg 格式(源文件可编辑),下载需要
20
积分
彩色电视机前框注塑模CAD图纸...
×