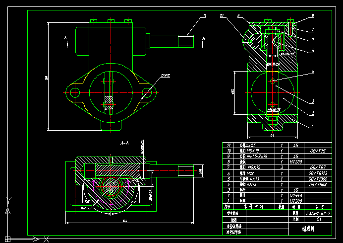
蝴蝶阀 CADH1-42-2
- 文件大小: 53.82 KB
- 下载次数:
- 文件评级:

- 更新时间: 2014-08-27
- 发布人: kongbei
该文件为 dwg 格式(源文件可编辑),下载需要 20 积分
蝴蝶阀具有可旋转的圆盘形或双平板形的活门,用以截断水流的阀门,其转动轴线与水流方向垂直。适用于大中型水轮机进水管道上的阀门,水头200米以下,转轮直径1.8米以上的电站。
主要构件
编辑
1)阀体:作用是过水通道的一部分,水流由其中通过,支撑活门重量,承受操作力和力矩,传递水压力。
2)活门:作用是关闭时截断水流,要求有足够的强度,开启时在水流中心水力损失小,有良好的水力特性。
3)轴及轴承:支持活门的重量。
4)锁锭:蝶阀的活门在全关或全开时需要锁锭。
5)旁通阀、旁通管:主阀开启时减少力矩,消除在动水下的振动。
6)空气阀:关闭时向蝶阀后补气,防止钢管因产生真空而遭致破坏,开启前向阀后充水时排气。该阀有一个空心浮筒悬挂在导向活塞之下,空心浮筒在蜗壳或管中的水面上。此外,通气孔于大气相通,以便对蜗壳和管道进行补气或排气。当管道和蜗壳充满水时,浮筒上浮至极限位置,蜗壳和管道于大气隔绝,以防止水流外溢。
7)伸缩节:便于安装及检修,温度变化时钢管有伸缩的余地。
8)密封装置:防止活体和阀门之间漏水。橡胶围带装在阀体或活门上,当活门关闭后,围带内冲入压缩空气,围带膨胀,封住周圈间隙。活门开启前应先排气,围带缩回,方可进行活门的开启。围带内的压缩空气压力应大于最高水头(不包括水锤升压值)(2-4)*10^5Pa,在不受气压或水压状态时,围带与活门间隙为0.5-1mm。...
×
