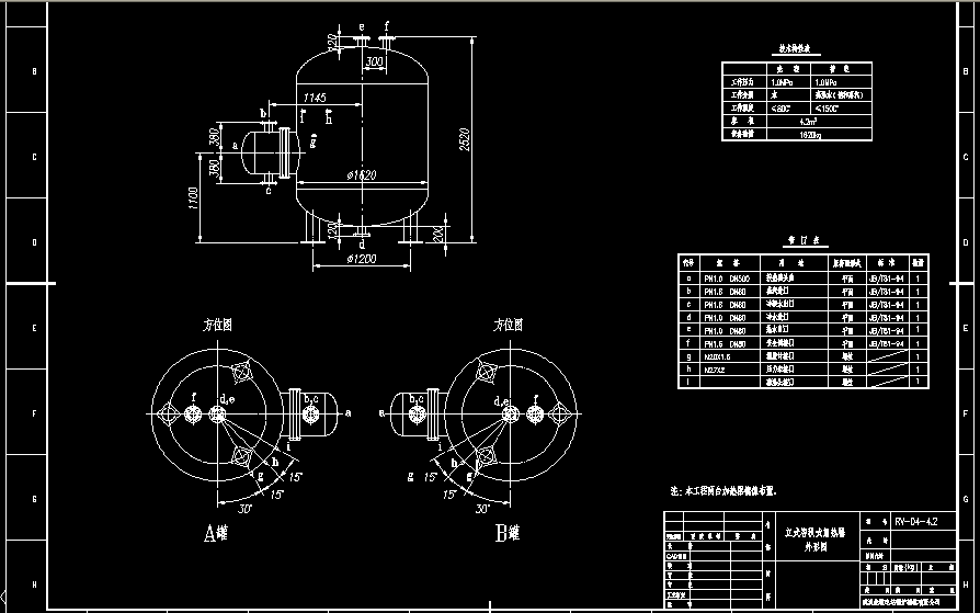
立式容积式加热器 4.2m3
- 文件大小: 63.71 KB
- 下载次数:
- 文件评级:

- 更新时间: 2014-09-06
- 发布人: 2907301063
该文件为 dwg 格式(源文件可编辑),下载需要 20 积分
技术要求
1.本设备按GB150-1998《钢制压力容器》进行制造,试验和验收,并接受国家质量技术监督局颁布《压力容器安全技术监察规程》的监督。
2.焊接采用电弧焊,焊条牌号:不锈钢之间采用A232,碳钢之间用J422,不锈钢与碳钢之间用A302,不锈钢之间的焊丝采用HOCr20Ni10Ti,碳钢之间的焊丝采用H08A,焊接规程按JB/T4709-2000
3.焊接接头形式及尺寸除图中注明外,其余按HG20583-1998中规定,角焊缝的焊脚高度按较薄板的厚度,法兰的焊接按相应法兰标准中的规定。
4.容器上的受压元件A、B类焊接接头应进行X射线无损检测,检测长度不得少于各条焊接接头长度的20%,且不小于250mm,射线检测符合JB/T4730.2-2005AB级规定,Ⅲ级为合格。
5.设备制造完毕后,设备内以0,13MPa进行水压试验,夹套内以0.38MPa进行水压试验。水压试验用水的氯离子含量应不大于25mg/L,试验合格后将水渍去除干净。
6.所有可动部件运行必须灵活。
7.管口支座、气缸方位见管口支座方位图。
8.压力容器涂敷与运输包装按JB/T4711-2003规定执行。...
×
