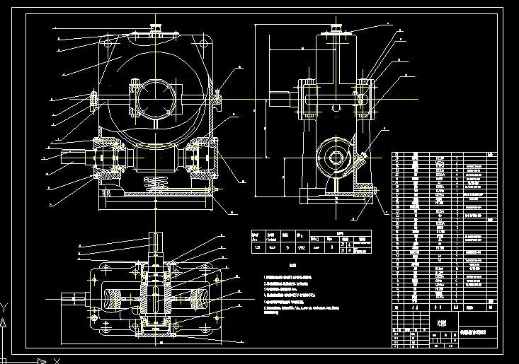
单级蜗轮蜗杆减速机机械图纸 功率7.35kw 传动比10
- 文件大小: 120.86 KB
- 下载次数:
- 文件评级:

- 更新时间: 2014-10-06
- 发布人: 2955362171
该文件为 dwg 格式(源文件可编辑),下载需要 20 积分
技术要求
1. 装配前箱体与其它铸件不加工面应清洗干净,除去毛边毛刺,并浸涂防锈漆;
2. 零件在装配前用煤油清洗,轴承用汽油清洗干净,晾干后表面应涂油;
3. 啮合侧隙用铅丝检查,侧隙值不得小于0.1mm;
4. 用涂色法检查齿面接触斑点,按齿高不得小于55%,按齿长不得小于50%;
5. 箱盖与箱座的接触面涂密封胶或水玻璃,不允许使用任何填料;
6. 装配后进行空载试验时,高速轴转速为100r/min,正、反运转一小时,运转平稳,无撞击声,不漏油,负载实验时,油池温升不超过60度。
...
×
